VERTEX-MILLING-GRINDING-TOOLING-CNC-LATHE-GRINDER
VERTEX-MILLING MACHINE-ACCESSORIES-"VISE",V.I.S.E., ROTARY TABLE-台灣銑床配件-虎鉗
"VERTEX - GRINDING MACHINE",A C C E S S O R Y,"MAGNETIC CHUCK",EDM TOOL VISE,"銑床
VERTEX-TOOLING -SYSTEM-ER-COLLET-DRILL-TAPPING-CHUCK-HOLDER-ARBOR搪孔攻牙刀桿
"VERTEX MACHINING CENTER ACCESSORY - ROTARY TABLE",V I S E台灣加工切削中心機,"分度盤",虎鉗
"VERTEX TAIWAN LATHE ACCESSORIES - CHUCK",SOFT&HARD JAW,LIVE CENTER車床頂針,硬爪軟爪
"VERTEX TAIWAN CUTTING TOOL - CARBIDE","END MILL","DRILL台灣切削刀具超微粒鎢鋼立銑刀定點鑽鉸刀"
VERTEX MC TOOL TAIWAN SPECIAL USAGE MACHINE-Shock Absorber,PRESS台灣工具機避震腳座,手動壓床
"TAIWAN VERTEX SMALL TYPE MACHINE-DRILL END MILL GRINDER"台灣機械工具"鑽頭立銑刀研磨機"
"VERTEX - HAND TOOL ACCESSORIES SERIES - POWER - RIGID - FOREVER"
"VERTEX - SAFETY AND PROTECTION ACCESSORIES SERIES - STRONG - DURABLE"
Products Index
>
"VERTEX - GRINDING MACHINE",A C C E S S O R Y,"MAGNETIC CHUCK",EDM TOOL VISE,"銑床
>
Magnetic Square Block VCP-31,VCP-32 四方型磁性座
Category Name :
Magnetic Square Block VCP-31,VCP-32 四方型磁性座
Prodouts
ORDER NO.
WEIGHT
CODE NO.
Inquriy
VCP-31
6.5KG
2015-530
Inquriy
VCP-32
20.4KG
2015-531
Inquriy
●
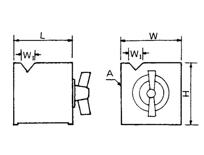
The V-BLOCKS and Parallels transfer the magnetism from permanent magnetic chucks.
The steel used in all V-Blocks and Parallels is selected for the hightest magnetic transfer and is cast integrally with aluminum.
ORDER NO.
Magnetic Power of V groove
Magnetic Power of base
H
W
L
W1
VCP-31
25 KGS
50 KGS
100
3.94"
100
3.94"
100
3.94"
26
1.02"
VCP-32
50 KGS
140 KGS
150
5.91"
150
5.91"
150
5.91"
32
1.26"
│
About us
│
News
│
Products
│
News products
│
Catalogues
│
FAQ
│
Contacts us
│